Search
Get Quote
Related Products
Product Description
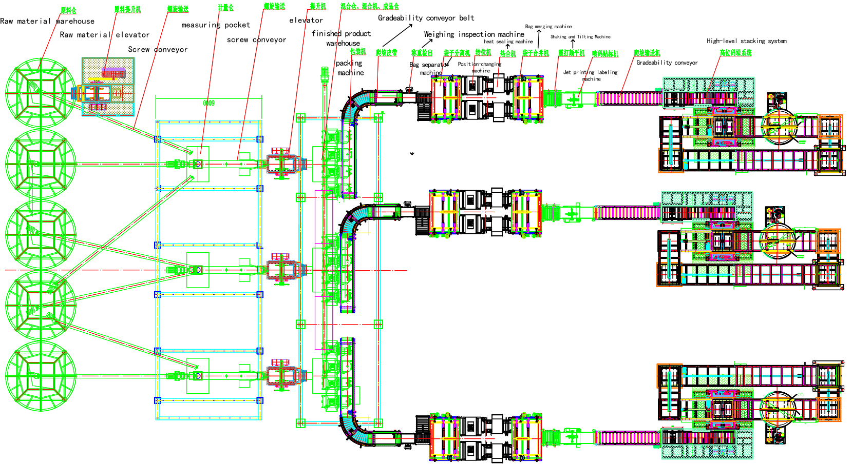
After years of accumulated experience, our company has developed a new generation of special mortar production line, which can adapt to the measurement and mixing of various raw materials, including various gypsum-based and cement-based special materials.
According to the different physical characteristics of each material, different measurement and mixing methods are designed to meet the quality requirements of customers.

Get Quote
Related Products
Product Features
1. that structure is compact and the occupy area is small;
2. less investment and quick return;
3. various special mortar product based on gypsum and cement can be produce;
4. Can be installed in standard industrial plants, simple and flexible.
5. High degree of automation: through the master control system, all raw materials (including additives) are automatically measured, automatically conveyed, automatically mixed, packaged, automatically conveyed, automatically palletized and formed, and the whole production process greatly reduces labor costs.
6. Dust-free: The whole set of equipment is divided into two major dedusting methods: overall dedusting and fixed-point dedusting. Fixed-point dedusting and recycling are adopted in areas where dust is concentrated, and overall dedusting and recycling are adopted in other areas to build a standardized workshop.
7. Good stability: Our company has absorbed many years of experience in the mortar equipment industry, and every detail and process of the whole production line has been strictly calculated and debugged by our technical department to ensure the production capacity and stability of the whole production line.
8. The product is competitive: the conveyor line is equipped with multiple processes of shaping, dust removal, code spraying and heat sealing to ensure that the appearance of each bag of products is clean and tidy, and the shape is uniform, so as to do a good job of basic work for subsequent palletizing and wrapping film packaging. It greatly improves the appearance grade of the products and increases the market competitiveness of the products.
9. Perfect after-sales service system: The company relies on a strong R & D and design team, mature design concept, according to the customer's product formula and investment plan, optimize the process flow, tailor-made, to provide customers with economic product solutions. From investment analysis, market refinement, equipment selection, after-sales installation, personnel training, repair and maintenance, formula support one-stop thoughtful and meticulous service, global procurement of high-quality accessories to make your equipment stable operation, effectively reduce the cost of equipment repair and maintenance.

Show All
Project Cases
Related Products
Home


